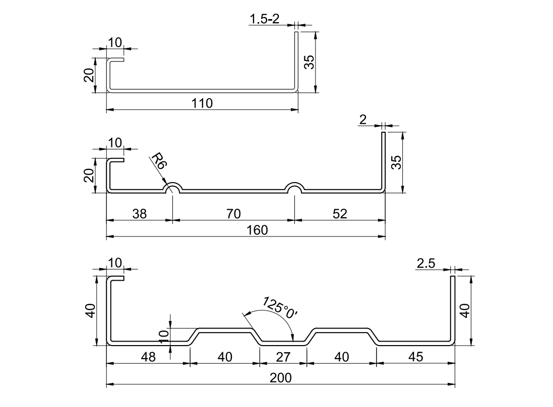
YX20,35,40-110,160,200
BMS
8455221000
프로필
| 재료 | 적용 가능한 재료 | 냉간 압연 시트 |
재료 두께 | 1.2mm/1.5mm/2.0mm/2.5mm | |
항복강도 있음 | 310-440Mpa | |
| 코일 | 먹이는 폭 | 600mm |
코일 ID 범위 | 508mm±30mm | |
용량 | 최대.5톤. | |
기계 | 베이스 프레임 | 용접에 의한 H450 유형의 강철. |
| 측벽 두께 | Q235t25mm | |
롤러 재질 | GCr15 강철(=EN31 강철), 정밀 가공, 열처리, HRC58-62 | |
롤러 스테이션 | 형성을 위한 18단계 | |
축 직경 | Ø80mm, 고주파 가공 | |
커터 | 경도 | HRC58-62 정도까지 열처리 |
절단 공차 | ≤±1mm | |
| 힘 | 운전 방법 | 기어/스프라켓 변속기 |
| 메인 모터 | 18.5KW, 주파수 속도 제어 | |
| 절단기용 펌프 모터 | 5.5KW | |
PLC 제어 시스템 | 인버터 | Schneider Electric/DELTA(대만 브랜드) |
터치 스크린 | WEINVIEW(대만 브랜드) | |
인코더 | KOYO(일본 브랜드) 또는 OMRON(일본 브랜드) | |
제어 전압 | 24V |
1. 다중 프로파일을 위한 단일 기계: 웹 60-200mm 및 플랜지 20-40mm 내의 모든 크기), 투자 및 공간 절약;높은 작업 효율성을 위한 자동 크기 전환 설계.
2. 롤러는 GCr15 베어링강으로 미세 가공한 후 담금질됩니다. (=EN31 강철), 경질 크롬 처리되어 10년 이상의 긴 수명을 보장합니다.
3. 메인롤포밍밀(자동 사이즈 전환)
5T 유압 데코일러→레벨링 장치→서보 모터 가이드 장치→목동
롤 포밍 시스템→유압 포스트 커터 장치→엑시트 랙
인위적인 사양ns
1) 5T 유압 데코레이터:1 세트
유압 제어 강철 코일 내부 보어 수축 및 정지
최대 공급 폭: 600mm
코일 ID 범위:508±30mm,외경:1500mm
오일 펌프 모터:2.2KW
용량:최대 5톤
자동 공급 전원 및 자체 정지 장치 추가
위로 삼 아래에 4개 완전히 세븐 롤러 레벨링 장치
공급 재료 가이드 포함, 본체 프레임 H450 강철을 용접하여 유형을 지정합니다.
다음에서 제조된 샤프트 45# 강철, 담금질 및 템퍼링 열처리, 경질 크롬 도금.직경=Φ90mm, 정밀 가공
3) 서보드라이브 및 펀칭머신
125톤 롤 성형 전 고속 펀칭기는 펀칭 모델 한 세트를 갖추고 있습니다. 펀칭기 4면에는 안전 커버가 있고 한쪽면은 문을 엽니다. PLC 시스템 제어로.

4) 메인엠아프네
베어링강으로 제작된 롤러 GCr15(=EN31 강철), 정밀 가공, 경질 크롬 코팅, 두께 0.04mm, 표면에 거울 처리(장수명 및 녹슬지 않음);
본체 프레임은 다음 소재로 제작되었습니다. 450#H 강철을 용접하여 유형을 지정합니다.
속도 형성: 약 20m/min
5) 유압 포스트 커터
절단 포스트, 절단 중지, 절단 블레이드 디자인의 3개 조각 유형
유압 모터:5.5KW;절단 압력:0-16Mpa
절단 도구 재료:Cr12MoV(= SKD11 강철),HRC58-62에 열처리
절단 수명이 최소 백만 배에 달함
절단력은 주 엔진 유압 스테이션에서 제공됩니다.
6) PLC 제어 시스템
수량과 절단 길이를 자동으로 제어합니다.
터치스크린에 생산 데이터(생산 배치, 개, 길이 등)를 입력합니다.
생산을 자동으로 완료할 수 있습니다.
결합 대상: PLC, 인버터, 터치 스크린, 인코더 등
7) 출구 랙:
무전원, 2개 장치, 쉽게 움직일 수 있도록 롤러가 있음
8) 제품 쇼
포장 방법:기계 본체는 알몸이며 플라스틱 필름으로 덮음(먼지와 부식 방지)컨테이너에 적재하고 강철 로프와 잠금 장치로 적합한 컨테이너에 꾸준히 고정하여 장거리 운송에 적합합니다.

판매 후 서비스
1. 보증은 24 개월 클라이언트가 기계를 받은 후에.
24개월 이내에 교체 부품을 고객에게 무료로 배송해 드립니다.
2. 우리는 기계의 전체 수명 동안 기술 지원을 제공합니다.
3. 우리는 기술자를 보내 고객의 공장에 근로자를 설치하고 훈련시킬 수 있습니다. 추가 비용.

프로필
| 재료 | 적용 가능한 재료 | 냉간 압연 시트 |
재료 두께 | 1.2mm/1.5mm/2.0mm/2.5mm | |
항복강도 있음 | 310-440Mpa | |
| 코일 | 먹이는 폭 | 600mm |
코일 ID 범위 | 508mm±30mm | |
용량 | 최대.5톤. | |
기계 | 베이스 프레임 | 용접에 의한 H450 유형의 강철. |
| 측벽 두께 | Q235t25mm | |
롤러 재질 | GCr15 강철(=EN31 강철), 정밀 가공, 열처리, HRC58-62 | |
롤러 스테이션 | 형성을 위한 18단계 | |
축 직경 | Ø80mm, 고주파 가공 | |
커터 | 경도 | HRC58-62 정도까지 열처리 |
절단 공차 | ≤±1mm | |
| 힘 | 운전 방법 | 기어/스프라켓 변속기 |
| 메인 모터 | 18.5KW, 주파수 속도 제어 | |
| 절단기용 펌프 모터 | 5.5KW | |
PLC 제어 시스템 | 인버터 | Schneider Electric/DELTA(대만 브랜드) |
터치 스크린 | WEINVIEW(대만 브랜드) | |
인코더 | KOYO(일본 브랜드) 또는 OMRON(일본 브랜드) | |
제어 전압 | 24V |
1. 다중 프로파일을 위한 단일 기계: 웹 60-200mm 및 플랜지 20-40mm 내의 모든 크기), 투자 및 공간 절약;높은 작업 효율성을 위한 자동 크기 전환 설계.
2. 롤러는 GCr15 베어링강으로 미세 가공한 후 담금질됩니다. (=EN31 강철), 경질 크롬 처리되어 10년 이상의 긴 수명을 보장합니다.
3. 메인롤포밍밀(자동 사이즈 전환)
5T 유압 데코일러→레벨링 장치→서보 모터 가이드 장치→목동
롤 포밍 시스템→유압 포스트 커터 장치→엑시트 랙
인위적인 사양ns
1) 5T 유압 데코레이터:1 세트
유압 제어 강철 코일 내부 보어 수축 및 정지
최대 공급 폭: 600mm
코일 ID 범위:508±30mm,외경:1500mm
오일 펌프 모터:2.2KW
용량:최대 5톤
자동 공급 전원 및 자체 정지 장치 추가
위로 삼 아래에 4개 완전히 세븐 롤러 레벨링 장치
공급 재료 가이드 포함, 본체 프레임 H450 강철을 용접하여 유형을 지정합니다.
다음에서 제조된 샤프트 45# 강철, 담금질 및 템퍼링 열처리, 경질 크롬 도금.직경=Φ90mm, 정밀 가공
3) 서보드라이브 및 펀칭머신
125톤 롤 성형 전 고속 펀칭기는 펀칭 모델 한 세트를 갖추고 있습니다. 펀칭기 4면에는 안전 커버가 있고 한쪽면은 문을 엽니다. PLC 시스템 제어로.

4) 메인엠아프네
베어링강으로 제작된 롤러 GCr15(=EN31 강철), 정밀 가공, 경질 크롬 코팅, 두께 0.04mm, 표면에 거울 처리(장수명 및 녹슬지 않음);
본체 프레임은 다음 소재로 제작되었습니다. 450#H 강철을 용접하여 유형을 지정합니다.
속도 형성: 약 20m/min
5) 유압 포스트 커터
절단 포스트, 절단 중지, 절단 블레이드 디자인의 3개 조각 유형
유압 모터:5.5KW;절단 압력:0-16Mpa
절단 도구 재료:Cr12MoV(= SKD11 강철),HRC58-62에 열처리
절단 수명이 최소 백만 배에 달함
절단력은 주 엔진 유압 스테이션에서 제공됩니다.
6) PLC 제어 시스템
수량과 절단 길이를 자동으로 제어합니다.
터치스크린에 생산 데이터(생산 배치, 개, 길이 등)를 입력합니다.
생산을 자동으로 완료할 수 있습니다.
결합 대상: PLC, 인버터, 터치 스크린, 인코더 등
7) 출구 랙:
무전원, 2개 장치, 쉽게 움직일 수 있도록 롤러가 있음
8) 제품 쇼
포장 방법:기계 본체는 알몸이며 플라스틱 필름으로 덮음(먼지와 부식 방지)컨테이너에 적재하고 강철 로프와 잠금 장치로 적합한 컨테이너에 꾸준히 고정하여 장거리 운송에 적합합니다.

판매 후 서비스
1. 보증은 24 개월 클라이언트가 기계를 받은 후에.
24개월 이내에 교체 부품을 고객에게 무료로 배송해 드립니다.
2. 우리는 기계의 전체 수명 동안 기술 지원을 제공합니다.
3. 우리는 기술자를 보내 고객의 공장에 근로자를 설치하고 훈련시킬 수 있습니다. 추가 비용.
