YX14.3-30.25 & YX18.5-21.4
BMS
온실 C 프로파일 롤 형성 기계
윤곽
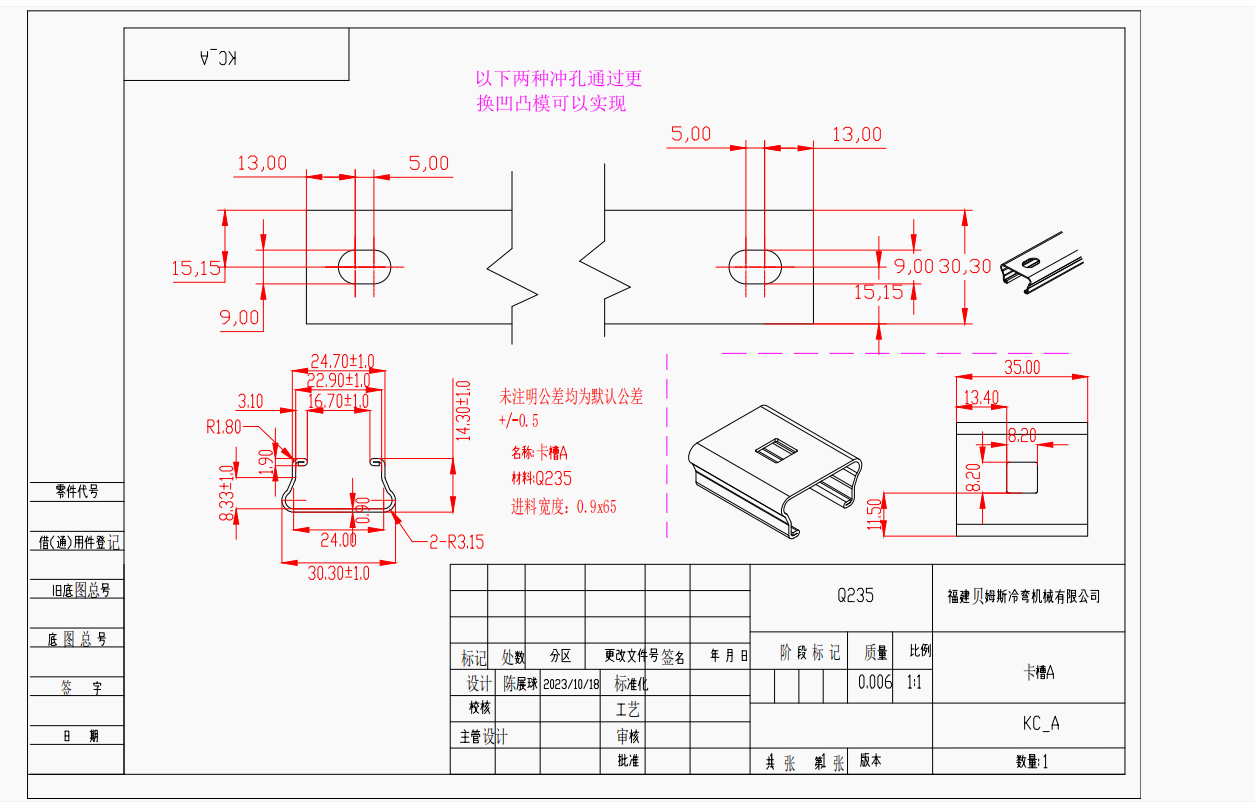
프로파일 E1
프로필 2
| 재료 | 적용 가능한 자료 | Magnelis DX51 |
재료 두께 | 0.9 & 1.9mm | |
항복 강도 | Q235-345MPA | |
기계 | 기본 프레임 | H300+H200 용접에 의한 유형 강철. |
| 측벽 두께 | Q235 T28mm | |
롤러 재료 | 베어링 스틸 GCR15 (= EN31 스틸), 정밀 가공, 하드 크롬 코팅 | |
롤러 스테이션 | 22 단계 및 16 단계 | |
샤프트 직경 | ф50mm, 고주파 처리 | |
| 힘 | 운전 방식 | 기어/스프로킷 변속기 |
| 메인 모터 | 11kW, 주파수 속도 제어 | |
PLC 제어 시스템 | 인버터 | 델타 / 대만 실린 / 슈나이더 |
터치 스크린 | Weinview / Siemens / Schneider | |
인코더 | Koyo (일본 브랜드) 또는 Omron (일본 브랜드) | |
제어 전압 | 24V |
Decoiler → 공급 및 레벨링 장치 → 수화 사전 절단 및 펀칭 장치 → 롤링 형성 시스템 (카세트 유형) → 유압 포스트 절단 → 제품 지원 프레임
기술 사양
1) 유압 해질기 : 한 세트
스틸 코일 내부 보어 수축 및 정지를 자동으로 제어하십시오.
전기 제어 캐비닛으로
맥스. 공급 너비 : 600mm, 코일 ID 범위 : 470 - 560 mm.
최대 용량 : 5tons, 공급 전력 없음, 유압 모터 : 2.2kW
직선 및 레벨링을위한 공급 재료 가이드와 7 개의 롤러 (3 개의 상단 롤러 및 4 개의 다운 롤러)
펀칭 장치, 다이 재료 : D2 강, 열처리
H300 으로 만든 바디 프레임 # 용접 별 강철 유형;
200# H 유형 강철 로 만든 카세트 바디 프레임 용접.
측벽 두께 : 18mm
베어링 스틸 GCR15 (= EN31 스틸) , 정밀 가공, 하드 크롬 코팅 에서 제조 된 롤러
모터 구동, 기어 체인 변속기, 약 22 +16 단계 형성
주 모터 = 11kW , 주파수 속도 제어
생산 속도 약. 11m/분 (펀치 및 절단 시간 포함)
3) 유압 포스트 절단 장치
사전 펀칭 및 사전 절단, 동일한 유압 시스템을 사용하십시오
유압 모터 : 4kW , 유압 압력 범위 : 16MPA
4) PLC 제어 시스템
양과 절단 길이를 자동으로 제어하십시오.
터치 스크린에 생산 데이터 (생산 배치, PC, 길이 등)를 입력하십시오.
생산을 자동으로 완료 할 수 있습니다.
결합 : PLC, 인버터, 터치 스크린, 인코더 등
5) 랙 종료
6) 제품 쇼
포장 방법 : 기계의 본체는 알몸으로 플라스틱 필름 (먼지 및 부식을 보호하기 위해)으로 덮여 있으며 용기에로드하고 강철 로프 및 잠금 장치에 적합한 용기에 정상으로 고정되어 장거리 운송에 적합합니다.

애프터 판매 서비스
1. 보증은 클라이언트가 기계를받은 후 24 몇 달 입니다 .
24 개월 안에, 우리는 교체 부품을 고객에게 무료로 배양 할 것입니다.
2. 우리는 기계의 전체 수명에 대한 기술 지원을 제공합니다. 3. 우리는 기술자에게
추가 비용 으로 고객 공장의 근로자를 설치하고 훈련하도록 보낼 수 있습니다 .

온실 C 프로파일 롤 형성 기계
윤곽
프로파일 E1
프로필 2
| 재료 | 적용 가능한 자료 | Magnelis DX51 |
재료 두께 | 0.9 & 1.9mm | |
항복 강도 | Q235-345MPA | |
기계 | 기본 프레임 | H300+H200 용접에 의한 유형 강철. |
| 측벽 두께 | Q235 T28mm | |
롤러 재료 | 베어링 스틸 GCR15 (= EN31 스틸), 정밀 가공, 하드 크롬 코팅 | |
롤러 스테이션 | 22 단계 및 16 단계 | |
샤프트 직경 | ф50mm, 고주파 처리 | |
| 힘 | 운전 방식 | 기어/스프로킷 변속기 |
| 메인 모터 | 11kW, 주파수 속도 제어 | |
PLC 제어 시스템 | 인버터 | 델타 / 대만 실린 / 슈나이더 |
터치 스크린 | Weinview / Siemens / Schneider | |
인코더 | Koyo (일본 브랜드) 또는 Omron (일본 브랜드) | |
제어 전압 | 24V |
Decoiler → 공급 및 레벨링 장치 → 수화 사전 절단 및 펀칭 장치 → 롤링 형성 시스템 (카세트 유형) → 유압 포스트 절단 → 제품 지원 프레임
기술 사양
1) 유압 해질기 : 한 세트
스틸 코일 내부 보어 수축 및 정지를 자동으로 제어하십시오.
전기 제어 캐비닛으로
맥스. 공급 너비 : 600mm, 코일 ID 범위 : 470 - 560 mm.
최대 용량 : 5tons, 공급 전력 없음, 유압 모터 : 2.2kW
직선 및 레벨링을위한 공급 재료 가이드와 7 개의 롤러 (3 개의 상단 롤러 및 4 개의 다운 롤러)
펀칭 장치, 다이 재료 : D2 강, 열처리
H300 으로 만든 바디 프레임 # 용접 별 강철 유형;
200# H 유형 강철 로 만든 카세트 바디 프레임 용접.
측벽 두께 : 18mm
베어링 스틸 GCR15 (= EN31 스틸) , 정밀 가공, 하드 크롬 코팅 에서 제조 된 롤러
모터 구동, 기어 체인 변속기, 약 22 +16 단계 형성
주 모터 = 11kW , 주파수 속도 제어
생산 속도 약. 11m/분 (펀치 및 절단 시간 포함)
3) 유압 포스트 절단 장치
사전 펀칭 및 사전 절단, 동일한 유압 시스템을 사용하십시오
유압 모터 : 4kW , 유압 압력 범위 : 16MPA
4) PLC 제어 시스템
양과 절단 길이를 자동으로 제어하십시오.
터치 스크린에 생산 데이터 (생산 배치, PC, 길이 등)를 입력하십시오.
생산을 자동으로 완료 할 수 있습니다.
결합 : PLC, 인버터, 터치 스크린, 인코더 등
5) 랙 종료
6) 제품 쇼
포장 방법 : 기계의 본체는 알몸으로 플라스틱 필름 (먼지 및 부식을 보호하기 위해)으로 덮여 있으며 용기에로드하고 강철 로프 및 잠금 장치에 적합한 용기에 정상으로 고정되어 장거리 운송에 적합합니다.

애프터 판매 서비스
1. 보증은 클라이언트가 기계를받은 후 24 몇 달 입니다 .
24 개월 안에, 우리는 교체 부품을 고객에게 무료로 배양 할 것입니다.
2. 우리는 기계의 전체 수명에 대한 기술 지원을 제공합니다. 3. 우리는 기술자에게
추가 비용 으로 고객 공장의 근로자를 설치하고 훈련하도록 보낼 수 있습니다 .
