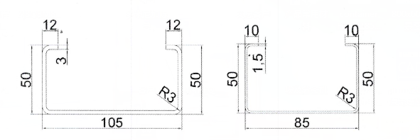
YX50-85/YX50-105
BMS

| 아니요. | 주요 매개변수 | 롤 성형 밀 매개변수 | ||
| 1. | 재료 두께 | 1.5-3.0mm | 성형 스테이션 | 14단계 |
| 2. | 먹이는 폭 | 그림에 따르면 | 바디 프레임 | H400 |
| 3. | 응용자료 | 아연 도금 시트 | 측벽 두께 | 25mm |
| 4. | 전기 표준 | 380V50Hz/3Ph | 샤프트 지름 | 45# 강철,80ø/φ65mm |
| 5. | 수동 데코일러 직경 | 508±30 mm | 메인 모터 전원 | 18.5KW |
| 6. | 항복 강도 | G550Mpa | 나사 볼트 | 8.8학년 |
| 7. | 성형 속도 | 25m/분 | 유효 폭 | 고객 디자인으로 |
| 8. | 제어 시스템 | PLC 제어 시스템 | 롤러 | Cr12 강철, CNC 선반, 열처리, 경질 크롬 코팅. |
| 9. | 유압 모터 | 7.5KW | 기계 색상 | 블루+블랙+오렌지 |
작업 흐름
유압식 데코일러 (5Tons) → 급이가이드/레벨링/펀칭장치 →유압 프리커터→ 메인 롤 포밍 밀 → 유압 포스트 커터 → PLC 제어 시스템 →랙 출구(3M*2)
기계 구성요소 디스플레이
레벨링 장치
절단 포스트, 절단 중지, 절단 블레이드 디자인의 두 조각 유형, 블랭킹 없음
유압 모터:7.5KW ;절단 압력: 0-16Mpa;
절삭 공구 재료: Cr12Mov(= SKD11 최소 100만회 이상의 절삭수명), HRC58-62도까지 열처리
공급 재료 가이드 포함, 본체 프레임 H400강철을 용접하여 유형을 지정합니다.
다음에서 제조된 샤프트 45# 강철, 담금질 및 템퍼링 열처리, 경질 크롬 도금.
직경=Ø80/Ø65mm, 정밀 가공
PLC 제어 캐비닛
포스트커터
기계 생산 제품


| 아니요. | 주요 매개변수 | 롤 성형 밀 매개변수 | ||
| 1. | 재료 두께 | 1.5-3.0mm | 성형 스테이션 | 14단계 |
| 2. | 먹이는 폭 | 그림에 따르면 | 바디 프레임 | H400 |
| 3. | 응용자료 | 아연 도금 시트 | 측벽 두께 | 25mm |
| 4. | 전기 표준 | 380V50Hz/3Ph | 샤프트 지름 | 45# 강철,80ø/φ65mm |
| 5. | 수동 데코일러 직경 | 508±30 mm | 메인 모터 전원 | 18.5KW |
| 6. | 항복 강도 | G550Mpa | 나사 볼트 | 8.8학년 |
| 7. | 성형 속도 | 25m/분 | 유효 폭 | 고객 디자인으로 |
| 8. | 제어 시스템 | PLC 제어 시스템 | 롤러 | Cr12 강철, CNC 선반, 열처리, 경질 크롬 코팅. |
| 9. | 유압 모터 | 7.5KW | 기계 색상 | 블루+블랙+오렌지 |
작업 흐름
유압식 데코일러 (5Tons) → 급이가이드/레벨링/펀칭장치 →유압 프리커터→ 메인 롤 포밍 밀 → 유압 포스트 커터 → PLC 제어 시스템 →랙 출구(3M*2)
기계 구성요소 디스플레이
레벨링 장치
절단 포스트, 절단 중지, 절단 블레이드 디자인의 두 조각 유형, 블랭킹 없음
유압 모터:7.5KW ;절단 압력: 0-16Mpa;
절삭 공구 재료: Cr12Mov(= SKD11 최소 100만회 이상의 절삭수명), HRC58-62도까지 열처리
공급 재료 가이드 포함, 본체 프레임 H400강철을 용접하여 유형을 지정합니다.
다음에서 제조된 샤프트 45# 강철, 담금질 및 템퍼링 열처리, 경질 크롬 도금.
직경=Ø80/Ø65mm, 정밀 가공
PLC 제어 캐비닛
포스트커터
기계 생산 제품


셔터 도어 롤 성형 기계 완제품
적용사례 (1)
적용사례 (2)

셔터 도어 롤 성형 기계 완제품
적용사례 (1)
적용사례 (2)